이 글은 ZL2BMI 의 QRP DSB 송수신기에 대해 글쓴이(DS1ORJ)의 개인적 견해를 포함, 아마추어 무선 관점에서 기술한다.
소개할 무전기 회로는 중간 주파수가 없는 "직접 변환 DSB 송수신기" 이다.
중간 주파수가 없는 직접변환(Direct Conversion, DC) 방식
중간 주파수가 없는 직접변환(Direct Conversion, DC) 방식에 대해서는 이전 게시물에 기술하였으니 참고한다.
https://ds1orj.tistory.com/220
직접 변환 수신기, Direct Conversion, Zero IF, DSB, DCR
아마추어 무선 관점에서 볼 때 수신기의 구조가 가장 간단하면서도 성능 좋은 방식은 당연히 DC(Direct Conversion) 수신기 이다. SSB 수신이 목적이라면 직접 변환이 최소한의 부품으로 안정적 수신이
ds1orj.tistory.com
이 무전기는 직접변환 수신기(DC Receiver)의 유행에 이어 등장한 것으로 당연한 결과이지만 "최대한 단순하게" 라는 ZL2BMI 의 철학이 반영된 회로를 보는 것은 흥미롭다.
이 DSB 무전기를 만든 ZL2BMI (ERIC SEARS)는 뉴질랜드의 HAM 이다.
https://www.qsotoday.com/podcasts/ZL2BMI
QSO Today Interview with Eric Sears, ZL2BMI
Eric Sears, ZL2BMI, who joins me from New Zealand, is famous for this 80 meter QRP double sideband rig that he designed and documented in the 1980s for his personal use when “tramping” in the forests and mountains of New Zealand. Eric’s stated design
www.qsotoday.com
뉴질랜드에서는 우리나라의 등산 또는 배낭여행과 비슷한 트램핑(Tramping)이라는 문화가 있다.
ZL2BMI 는 트램핑에 사용하기 위해 이 무전기를 만들었다고 한다.(최초로 작성된 기사는 1983년으로 알려져 있다)
아래는 뉴질랜드의 트램핑을 설명하는 wiki 문서이다.
https://en.wikipedia.org/wiki/Hiking_in_New_Zealand
Hiking in New Zealand - Wikipedia
From Wikipedia, the free encyclopedia Recreational activity involving walking over rough country A tramper crossing a swingbridge over the Huxley River in the South Island of New Zealand For broader coverage of this topic, see Hiking. Tramping, known elsew
en.wikipedia.org
이 무전기의 최초 버전은 1980년대 부품과 기술을 사용하여 전체 BJT 로 만들어졌다.
이후 몇번의 변경이 있었고 최종버전(2011년)의 실제 무전기 모습은 아래와 같다.

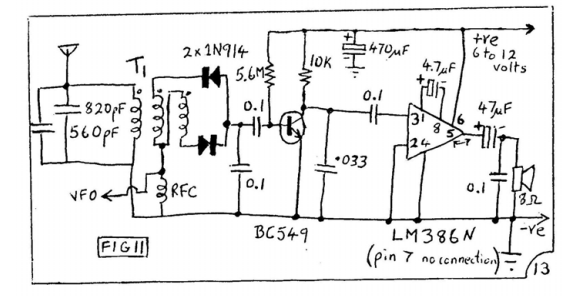
IC는 믹서로 NE602(SA612) 를, 오디오 증폭기로 LM386 을 사용한다.
IC를 사용하지 않는 BJT 버전은 글 끝부분에 소개된다.

https://drive.google.com/file/d/122n7s05WJf0kuG2jt2N-OMl3_EDPkqSb/view
The ZL2BMI Extra Simple DSB 80m Transceiver.pdf
drive.google.com
전 세계적으로 여러 오엠들이 만들었고, VK3YE 처럼 독창적으로 발전시킨 형태도 있으므로 만들 생각이 있다면 아래를 참고하여 다른 오엠들의 빌드도 보기 바란다.
https://ds1orj.tistory.com/220
직접 변환 수신기, Direct Conversion, Zero IF, DSB, DCR
아마추어 무선 관점에서 볼 때 수신기의 구조가 가장 간단하면서도 성능 좋은 방식은 당연히 DC(Direct Conversion) 수신기 이다. SSB 수신이 목적이라면 직접 변환이 최소한의 부품으로 안정적 수신이
ds1orj.tistory.com
실 제작에서의 고려사항
이러한 무전기를 만들 때 가장 문제가 되는 것은 안정적인 VFO 이다.
온도계수를 고려하지 않는 일반 부품을 가지고 만든 LC 발진기로는 주파수 불안정(Drift)을 피할 수가 없으므로 거의 모든 QRP 리그들은 안정적인 발진을 하기 위해 수정 발진기 또는 세라믹 공진기를 사용하게 된다. 즉 주파수 가변 범위를 포기하고 안정성을 택하게 된다. 보통 Q 가 높아서 가변범위가 좁은 크리스탈 보다 Q 가 낮아서 덜 안정적이지만 가변폭이 넓은 세라믹 공진기가 실용적인 측면에서 더 선호된다. 비용적으로도 세라믹 공진기가 크리스털 보다 저렴하다. 이런 이유로 저자는 세라믹 공진기를 사용하는 것으로 보인다.
문제는 원하는 주파수의 크리스탈이나 세라믹 공진기를 구하는 것이 어렵다는 것이다. 80 미터 밴드에서 3.535 ~ 3.3550MHz, 40미터 밴드에서 7.080~7.100MHz 등이 필요할 거라 예상되지만 이렇게 딱 맞는 것은 구할 수가 없고 주문제작 해야 한다. 특히 CW, Digital 등이 아닌 음성교신의 경우에는 상당히 넓은 범위의 주파수를 이동해야 하는데 이렇게 넓은 범위를 이동 시키면서 주파수가 안정적이려면 복잡하고 큰 VFO 회로가 필요하다. 이 경우 DDS(AD985X 시리즈) 또는 초소형 PLL(Si5351 또는 Si570) 을 사용 할 수 있지만, 추가로 디지털 컨트롤을 위한 MCU와 디스플레이가 필요하므로 결국 VFO 가 무전기 보다도 비용이 더 들어가고 복잡하게 된다.
아래는 Si5351 PLL 을 VFO로 사용한 DSB 송수신기 키트이다.

키트 및 회로도에 대한 상세 사항은 아래를 참고한다.
https://qrpguys.com/vfo-dsb-digital-transceiver-kit
Si5351A/MS5351M 160m-10m VFO Kit - QRPGuys
This VFO kit is for the original DSB Digital Transceiver or DSB v. II Digital Transceiver only, but with a user loaded flash to the Atmega328P, can be used as a generic 500KHz-55MHz VFO. See download below. Si5351A/MS5351M 160m-10m VFO Kit – $40 We ar
qrpguys.com
보다 아마추어 친화적인 방법으로 PTO(Permeability Tuned Oscillator, 투자율 튜닝 발진기) 를 생각해 볼 수 있다.
PTO는 C 를 고정하고 L 을 가변시키는 속칭 "μ-tunning(뮤 동조)" 발진기이다. 바리콘을 사용하는 가변 C 발진기와 작동방식이 반대이다. 바리콘은 멀티턴(다회전) 미세 동조를 하려면 감속기어 등의 기구부가 필요하지만 PTO 의 경우에는 아래와 같이 스크루 방식으로 이동하므로 구현이 용이하게 된다. (단, 기구적으로 손잡이가 튀어나오는 단점이 발생한다)

제작방법 및 회로도는 WA6OTP 의 PTO VFO 키트 자료를 참고한다.
vfo/pto
PTO / VFO Kit No Longer Available This Permability Tuned Oscilator Kit for 160-20 meters gives flexability to your radio projects. It will tune over a wide range 200 kc to 500kc depending on band. About 13 kc per revolution of the tuning dial. You
www.wa6otp.com
IC를 사용하지 않고 제작하는 초기 버전
NE602, LM386 등의 IC 사용을 배제하고 BJT 로 만들고 싶다면 초기 버전 회로를 참고한다.
ZL2BMI 의 초기 디자인에서는 SBM(싱글밸런스믹서)을 직접 만들어서 사용한다. (아래 PDF 문서 원본)
SBM을 만든다면 아래를 참고한다.

다이오드 믹서에 대한 글은 아래를 참고한다.
https://ds1orj.tistory.com/221
믹서 (Mixer), SBM, DBM, 밸런스믹서, NE602, SA612, QSD
이 글은 믹서에 대해 아마추어 무선 관점에서 기술한다.아래의 직접 변환 수신기와 이어지는 글이다.https://ds1orj.tistory.com/220 직접 변환 수신기, Direct Conversion, Zero IF, DSB, DCR아마추어 무선 관점에
ds1orj.tistory.com
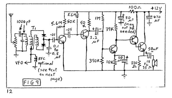
저자의 DSB 무전기 초기 설계의 수신부는 믹서와 5개의 BJT를 사용하는 AF 증폭기이다.

이후 보다 성능을 높이기 위해 프리앰프를 제외한 4개의 BJT 가 LM386 증폭기로 변경된다.

최종적으로는 프런트엔드에 RF 증폭기(LNA)가 추가되어 아래와 같은 회로로 완성되었다.
수동 믹서의 손실을 만회하려면 고이득 오디오 증폭기가 필요하게 되는데 이득이 너무 높으면 쉽게 발진한다. 이미 AF 증폭기가 발진을 유발할 만큼 매우 높은 증폭률로 구동되므로 감도를 높이기 위해 RF 단에 프리앰프를 추가한 것이다

길버트셀 믹서(NE602, 612, MC1496 등)를 사용하면 자체적으로 상당히 높은 변환 이득(602/612 기준 45MHz 에서 +14dB) 을 제공하기 때문에 프리앰프가 없어도 충분한 감도를 제공한다. (2011년 최종 회로)
참고로 이러한 단순한 수신기는 AGC(자동이득제어)가 없고 밴드패스 필터 및 인접신호를 걸러내는 협대역(SSB 등) 필터도 없으므로 교신에 불필요한 신호(QRM, QRN)가 강한 환경일 경우 성능이 만족스럽지 못하게 된다. 설계 목적이 최소 구성으로 저출력 야외 운영이므로 목적에는 부합한다. 원한다면 밴드패스 필터(LC)를 간단히 만들어 장착할 수 있고, 일반적인 필터(세라믹 또는 크리스털)를 장착할 수는 없겠지만 오디오 필터(교신 모드에 따라 다른)를 대용으로 사용할 수 있다. 출력단의 경우도 목표 출력에 맞는 Final 을 선택하고 임피던스 매칭을 제대로 한다면 원하는 출력에 도달 할 수 있다.
RF 회로는 만능기판에서는 제대로된 성능을 내기 어렵다.
특히 좁은 케이스에 수납시킬 경우 저자의 빌드(사진의 케이스, 부품의 형상과 PCB 구성 및 배치(GND 포인트 등) 포함)를 참고하는게 좋다.