이 글은 믹서에 대해 아마추어 무선 관점에서 기술한다.
아래의 직접 변환 수신기와 이어지는 글이다.
https://ds1orj.tistory.com/220
직접 변환 수신기, Direct Conversion, Zero IF, DSB, DCR
아마추어 무선 관점에서 볼 때 수신기의 구조가 가장 간단하면서도 성능 좋은 방식은 당연히 DC(Direct Conversion) 수신기 이다. SSB 수신이 목적이라면 직접 변환이 최소한의 부품으로 안정적 수신이
ds1orj.tistory.com
RF 분야에서 말하는 믹서(Mixer)는 서로 다른 두 주파수를 입력 받아서 새로운 주파수를 만드는 기능을 의미한다.
단순히 소리를 혼합하는 오디오 분야의 믹서와는 완전히 다르므로 주의한다.
https://en.wikipedia.org/wiki/Frequency_mixer
Frequency mixer - Wikipedia
From Wikipedia, the free encyclopedia Circuit that creates new frequencies from two signals This article is about non-linear mixing operating in the frequency domain. For other types of mixers, see electronic mixer. Frequency mixer symbol In electronics, a
en.wikipedia.org
예를 들면 3MHz 와 2MHz 를 입력 받은 믹서는 출력으로 5MHz 와 1MHz 를 내보낸다. (합과 차 신호)
거의 모든 RF 응용회로에서 입력으로 사용되었던 원래의 신호(상기 예에서 3MHz, 2MHz)가 출력으로 나타나는 것을 원하지 않기 때문에 이를 최소화 시킬 수 있는 믹서를 사용한다. 이런 믹서를 밸런스믹서 라고 부르고 RF 용으로 사용되는 거의 대부분의 믹서는 밸런스믹서 라고 봐도 무방하다.
믹서가 주파수 변환에 반드시 등장하므로 중요하다는 것을 모르는 사람은 없을 것이다.
그러나 믹서는 주파수 변환 이외에도 사용되는 곳이 많다.
캐리어가 없는 신호(DSB, SSB)를 복조하기 위해서 수신된 신호에 캐리어를 주입(BFO) 할 때도 믹서가 사용된다. 이 경우 믹서를 복조용으로 사용하기 때문에 Product Detector 라고 부르게 된다. 따라서 직접변환 수신기에서의 믹서는 DBM(더블 발랜스 믹서)이지만 부를 때는 Product Detector 라고 한다.
흔한 경우는 아니지만 동일한 두 주파수의 위상차를 비교할 때 믹서를 "위상 검출기" 로 사용할 수 있다. 이 때 위상차는 DC 로 출력되게 된다. DC 이기 때문에 오프셋이 발생하기 마련이고 위상 검출기로의 DBM 사용이 흔한 것은 아니다.
아래는 미니서킷의 DBM(Double Balance Mixer)을 위상 검출기로 사용할 때의 FAQ 이다.
https://blog.minicircuits.com/frequently-asked-questions-about-phase-detectors/
Frequently Asked Questions About Phase Detectors - Mini-Circuits Blog
Read through frequently asked questions about phase detectors for general information and tips for specific applications.
blog.minicircuits.com
믹서로 가장 많이 사용되는 것은 다이오드(Diode)를 이용한 밸런스믹서(Balance Mixer)로 보통 이런 믹서를 수동(Passive) 믹서 라고 한다. 수동 믹서가 있으므로 당연히 능동(Active) 믹서 또한 존재한다.
일반 전기, 전자 분야에서는 다이오드를 정류기(Rectifier)로만 사용하지만 RF 분야에서는 ON/OFF 스위치로 많이 사용한다. RF 회로상에 다이오드가 들어가 있으면 거의 대부분 경로를 전환하는 스위치 역할을 하는 것이다.(이 용도 부품으로 PIN Diode 가 있지만 일반 다이오드도 사용된다.) 때로는 다이오드에 역바이어스(역전압)를 걸어서 캐패시터로도 사용한다.(이 용도 부품으로 Varicap diode 또는 Varactor diode 가 있다)
https://en.wikipedia.org/wiki/PIN_diode
PIN diode - Wikipedia
From Wikipedia, the free encyclopedia Optical diode invented by Jun-Ichi Nishizawa A PIN diode is a diode with a wide, undoped intrinsic semiconductor region between a p-type semiconductor and an n-type semiconductor region. The p-type and n-type regions a
en.wikipedia.org
https://en.wikipedia.org/wiki/Varicap
Varicap - Wikipedia
From Wikipedia, the free encyclopedia Type of diode This article is about a type of diode. For a purely variable capacitor, see Variable capacitor. In electronics, a varicap diode, varactor diode, variable capacitance diode, variable reactance diode or tun
en.wikipedia.org
수동 믹서는 다이오드를 스위치로 사용하므로 GHz 이상의 마이크로웨이브에도 적용가능하고 넓은 다이나믹 레인지를 제공한다. 능동 믹서는 다이오드 대신 증폭소자 또는 스위칭소자를 사용한다.(BJT, FET 등), 다이오드를 이용한 수동 믹서보다 최고 속도가 느리다. 물론 HF 는 큰 문제가 되지 않는다. (패시브 방식보다 성능이 떨어진다고 알려져 있지만 FET 아나로그 스위치를 이용하는 경우 HF 주파수에서 오히려 더 나은 경우도 있다.)
아래는 대표적인 패시브 믹서인 미니서킷의 SBL-1 더블 밸런스 믹서(국내에서는 평형변조기, 링변조기 등으로 부르기도 한다) 이다. 1-500MHz 까지 사용가능하며 LO 입력은 +7dBm 이 최적으로 지정되어 있다.
마지막 사진에서 두개의 트랜스포머와 중앙의 diode ring 을 확인 할 수 있다.
데이터 시트 : https://www.minicircuits.com/pdfs/SBL-1+.pdf



수동믹서에 다이오드가 대표적으로 사용된다면 능동 믹서를 대표하는 것은 길버트셀 이다.
아래 회로가 길버트셀이며 일종의 차동증폭기 회로 이다.

https://en.wikipedia.org/wiki/Gilbert_cell
Gilbert cell - Wikipedia
From Wikipedia, the free encyclopedia Type of electronic frequency mixer In electronics, the Gilbert cell is a type of frequency mixer. It produces output signals proportional to the product of two input signals. Such circuits are widely used for frequency
en.wikipedia.org
아래는 아마추어 무선 영역에서 대표적으로 많이 사용하는 액티브 믹서인 길버트셀 방식의 SA612(NE612) 와 MC1496 이다.


둘 다 길버트 셀 기반의 밸런스 믹서이다. 612 는 간단히 사용할 수 있고, 1496 의 경우에는 외부에 바이어스 저항기를 붙여야 한다. 612 는 바이어스용 저항이 고정(내장)되어 있다. 아무래도 바이어스 튜닝이 가능한 1496 쪽이 밸런스 성능이 더 좋다고 한다. SA612 는 SA602 의 개량형이다. 그러나 실제 초기 설계의 SA602 는 시장에 없다. 시장에 존재하는 602, 612 는 모두 같은 설계이며 마킹만 다르다고 한다. 아래 글을 참고한다.
https://www.ur5ffr.com/viewtopic.php?t=166
NE602 = SA602 = NE612 = SA612 - UR5FFR
UR5FFR Site Admin Posts: 2201 Joined: 21 Apr 2012, 22:00 Позывной: UR5FFR Location: Odessa Post by UR5FFR » 09 Mar 2017, 21:48 Скопионерино отсюда http://soldersmoke.blogspot.com/2009/06 ... ne602.html Для тех кто не
www.ur5ffr.com
액티브 믹서인 612 (SA612, NE612 모두 같다) 의 대표적 특징은 아래와 같다.
- 소형, 저렴한 가격.
- 내부에 오실레이터 내장
- 500MHz 까지 사용가능.
- 변환 이득은 45MHz 에서 14dB 이상이므로 증폭기(변환 손실을 보상) 를 생략 할 수 있다.

612 믹서 응용 회로에 대해서는 이전에 올린 글인 직접 변환 수신기 글을 참고한다.
https://ds1orj.tistory.com/220
직접 변환 수신기, Direct Conversion, Zero IF, DSB, DCR
아마추어 무선 관점에서 볼 때 수신기의 구조가 가장 간단하면서도 성능 좋은 방식은 당연히 DC(Direct Conversion) 수신기 이다. SSB 수신이 목적이라면 직접 변환이 최소한의 부품으로 안정적 수신이
ds1orj.tistory.com
다이오드를 이용한 패시브 밸런스 믹서는 여러종류가 있다.
- Unbalance Mixer(언밸런스 믹서)
- SBM(싱글밸런스 믹서)
- DBM(더블밸런스 믹서)
- DDBM, TBM(더블 더블밸런스, 트리플 밸런스 믹서)
각각의 믹서들은 대역폭(한계주파수), LO 전력, 포트간 격리, 선형성, 손실 등이 다르며 만능은 없으므로 용도에 의해 선택된다. 자세한 설명은 아래를 참고한다.
https://blog.minicircuits.com/a-quick-guide-to-mixer-topologies/
A Quick Guide to Mixer Topologies - Mini-Circuits Blog
Mini-Circuits offers hundreds of mixer models representing six different circuit topologies. While this variety gives designers options for just about every application, it can also complicate the component selection process. This quick guide provides a co
blog.minicircuits.com
아마추어 무선 영역에서 가장 많이 쓰이는 것은 SBM 과 DBM 이다.
SBM, DBM 모두 직접변환 수신기에서도 사용 가능하다.
SBM 은 가장 간단한 밸런스 믹서로 LO 억압이 썩 좋지는 않지만 만들기 쉽고 조정이 간단하다.
DBM 은 가장 많이 쓰이는 밸런스 믹서이다. Minicircut 사의 SBL-1, ADE-1 등이 주로 사용된다.
DBM 의 경우 직접 만들 수도 있는데 제작 방법은 이전에 올렸던 자료인 QRP Classic 서적을 참고한다.
https://ds1orj.tistory.com/219
아마추어 무선 관련 참고 자료 목록 (RF 설계 관련 서적 및 자료)
글쓴이(DS1ORJ) 가 추천하는 목록이다.엄청난 수의 RF 관련 서적 및 자료가 존재하지만 학업 또는 연구목적의 자료들은 아마추어 무선 용도로는 대부분 적당하지 않으므로 최대한 실용적인 범위로
ds1orj.tistory.com
QRP Classic 46 페이지를 보면 DBM 을 만드는 방법이 나온다.(아래 그림 참고)
다이오드는 1N914(또는 1N4148) 를 사용하고 순방향 특성이 가능한 동일한 것(mached pair)을 골라서 4개 선택한다.
코어는 BN-43-2402 또는 FT23-43 코어에 #30 에나멜선을 3중선(trifilar)으로 만들어서 7회 감는다. (두개 필요)


글쓴이가 QRP Classic 스타일로 만든 1N4148 을 사용한 DBM, 코어는 페라이트 재질이며 사이즈가 다소 크다.
16핀 IC 소켓 위에 만든 것이다.

글쓴이가 사용하기 위해 만든 DBM, 다이오드는 1N5711 , 코어는 페라이트 재질의 초소형 코어 이다.
인터넷에는 많은 사람들이 DBM 을 직접 제작한 것을 볼 수 있다.
상업용 만큼 밸런스가 좋지는 않지만 회로를 작동시키는데 문제는 없다. (이렇게 만든 DBM 으로 계측기를 만들 사람은 없을 것이므로), 아래 사진들은 너무 크게 만들고 있는데 가능하다면 작게 만들어서 실드 시키는 것이 좋을 것이다. 상업용 DBM 의 경우 말 그대로 깨알만한 코어를 사용하고 고성능 제품은 금속 캔으로 실드되어 있다.




DBM 제작에 사용되는 다이오드들은 같은 특성(matched pair) 의 다이오드로 선별되어야 한다.
RF 에서 동작가능한 소신호 다이오드들은 모두 사용될 수 있으며 아래는 동일한 조건에서 1N60, 1N4148, 1N5711 세가지 다이오드로 DBM 을 시뮬레이션한 LTSpice 결과이다.
LO 입력은 30MHz +7dBm(최적값) 이고 출력측에 다이플렉서(Diplxer)가 있고 50옴으로 종단 되었다.
RF 입력은 30.45MHz, 30.55MHz 가 혼합된 2 Tone 이다. 최대 +7dBm 의 신호이다.
50옴 양단의 전압 기준으로(손실) 결과를 보면 1N5711 이 -21dB, 1N4148 이 -26dB, 1N60 이 -39dB 로 나온다.
따라서 1N5711 이 손실이 가장 적고, 1N60 이 가장 크다(거의 20dB 가까이 내려가므로 엄청난 손실이다.)
이 시뮬레이션에서 RF 입력을 10uV 까지 줄여봐도 결과는 동일하므로 DBM 에 굳이 1N60 을 사용할 필요는 없을 것이다.

아래는 시뮬레이션 파일이다.
LTSpice 에 1n5711 이 없는 경우 아래에서 Bordodynov 의 ltspice 모델 라이브러리를 설치한다.
이 라이브러리에는 취미 또는 설계자가 사용할 수 있는 거의 모든 부품이 있다.(일반 BJT, FET, RF 용 부품을 비롯하여 널리 사용되는 진공관도 들어 있다)
LTspice 부품, 회로도 모음 (Bordodynov Electronics 사이트)
회로 시뮬레이션 프로그램을 사용하려면 필요한 부품들이 있는 것이 중요합니다.부품이 있어야 원하는 회로를 만들고 시뮬레이션을 할 수가 있으니깐요. LTspice에는 Analog Devices사의 부품들만
ds3qej.tistory.com
상기 시뮬레이션을 보면 1N5711 이 변환 손실이 가장 낮은 것으로 보인다. 그러나 일반적이지 않은 형번이기 때문에 시장에서 구하기 어려울 수도 있다. 아래와 같은 RF 쇼트키 다이오드가 이 용도로 호환 가능 하므로 가장 구하기 쉬운 것으로 한다. RF 쇼트키 다이오드 가격은 저렴하지 않다. 무작정 선택하지 말고 반드시 테이터 시트를 확인하도록 한다. (소신호 Si 다이오드인 1N4148 도 DBM 에 있어서 최악의 선택은 아니다.)
1N5711, 1N6263, 1SS101, 2800, 5082-2800, BAR28, ECG583, HP2301, HP2302, HP2303, HP2305, HP2800, HP2800-28, NTE583, HSCH-1001, , NTE583, SD101A, SD101B , SD101C
출처 : https://www.radiomuseum.org/forum/diodes_cross_referencing.html
Diodes - cross referencing? |Radiomuseum.org
21.Mar.14 16:55 This is a tough nut to crack, and when I left the question on the diyaudio tube forum, I did not get the answers I needed. Days of asking and searching left me with more questions that answers. That is why I know I am not alone. Diodes go b
www.radiomuseum.org
아래는 2N2222 를 사용한 초저잡음 믹서 논문이다. (밸런스 믹서에서 다이오드가 B-C 간 쇼트된 2N2222A BJT 로 교체됨), 성능이 우수한 것으로 나타나는데 직접 테스트를 해보지는 못했다. 2N2222A 는 범용 BJT 이므로 아주 높은 주파수는 어렵겠지만, 논문 내용으로는 40MHz 까지 무난한 것으로 보인다. 분명한 것은 BJT 로도 대체가 가능하다는 것이다.

"Ultra-Low-Noise Regenerative Frequency Divider"
해당 주제로 같은 논문이 여러개 검색된다.
https://tf.nist.gov/general/pdf/2609.pdf
https://ieeexplore.ieee.org/document/6243683
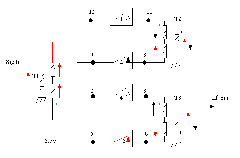
FET 스위치를 이용한 믹서
DBM 에서 다이오드를 스위치로 이용하는 대신 FET 를 스위치로 이용할 수 있다. (이 기술은 종종 상업용 무전기에서 회로에 구현되어 실제 사용 된다) 다이오드 보다 다이나믹 레인지가 증가하는 것으로 알려져 있다. (얼마나 큰 신호를 왜곡 없이 통과 시킬 수 있는가 척도, 보통 IP3 로 표시된다). 아래 설명을 참고한다.
https://blog.minicircuits.com/novel-passive-fet-mixers-provide-superior-dynamic-range/
Novel Passive FET Mixers Provide Superior Dynamic Range - Mini-Circuits Blog
The dual-double-balanced configuration of these FET mixers helps to improve dynamic range with reduced conversion loss and noise figure without expending DC bias.
blog.minicircuits.com
또한 FET 를 스위치로 사용하지만 특수한 부품을 사용하지 않고 일반적인 아나로그 스위치(또는 양방향 버스 스위치, 예를 들어 4066) IC 를 사용할 수도 있다. 이러한 방식으로 작동하는 고성능(다이나믹 레인지 향상) H-Mode Mixer 를 소개하는 글이 아래에 이다.

http://g4oep.epizy.com/mixers/notes_on_the_basic_operation_of_.htm?i=1
Notes on the Basic Operation of Commutative Mixers
Understanding the Mixer. Pins 12, 9, 2, and 5 are grounded for ac signals. Two antiphase inputs derived from T1 are applied via two load transformers (T3, T4) to two pairs of switches - connections 11 and 8 as one pair, 3 and 6 as the other. The secondar
g4oep.epizy.com
취미용으로 손쉽게 구축하려면 일반 IC 인 4066 을 사용하고 아래와 같이 간단히 직접변환 수신기용 믹서를 구축 할 수도 있다. 아래 회로는 정확한 50% (50:50) Duty Cycle 을 얻기 위해 2배로 빠른(2fo) 주파수의 LO 를 사용하고 FF(플립플롭)으로 2분주한다. 이렇게 하면 무조정으로 정확한 대칭 펄스를 얻을 수 있다.
https://lz3nf.wordpress.com/2013/07/25/280/
DC Mixer with 4066
DC Mixer with 4066 This circuit is a switching type mixer with the 74HC4066 analog switch. It has a much better IP3 than the SA612. The RF signal coming from the RF filter is firstly transformed to…
lz3nf.wordpress.com
FF(7474) 없이 반전게이트를 사용하는 또 다른 4066 스위치 믹서를 사용하는 직접변환 수신기 회로
정확한 듀티 사이클을 얻기에는 조금 문제가 있어 보이지만 잘 조정하면 작동에 문제가 없을 것이다.
https://www.schripsema.org/pa3hdf/projects/dc-receiver/dc-rx.html
Direct Conversion receiver for 80m and 40m
Receiver with loop antenna The receiver does not have any form of pre-selection. I use a loop antenna. It's not perfect, but it works.
www.schripsema.org
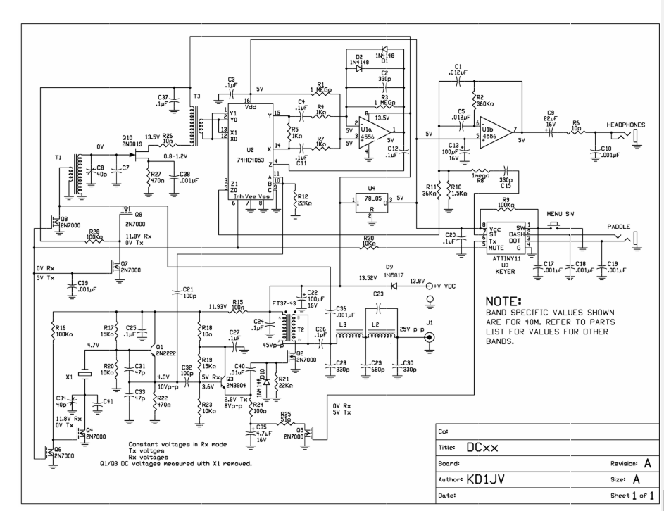
KD1JV 의 DC40 직접 변환 송수신기(트랜시버)
4053 을 스위치 믹서로 사용한다.

https://www.qrpkits.com/dc40a.html
Deluxe DC40 Transceiver - Pacific Antenna
The DC40A, 30A, and 20A Transceiver The DC40A, 30A and 20A series of transceivers are designed by Steve Weber, KD1JV, who is a member of the QRP Hall of Fame. Steve designed these radios to be simple to build and get going, but with surprisingly goo
www.qrpkits.com
RF 스위치 믹서 용도로 4066 이나 4053 등은 On 저항이 상당히 높기 때문에 낮은 임피던스 전환 용으로는 잘 추천되지 않지만 QRP 수준에서는 별 문제 없이 잘 작동한다. (H-Mode Mixer 에 사용되는 FST3125 의 경우 On 저항은 4옴에 불과한 아나로그 스위치이다)
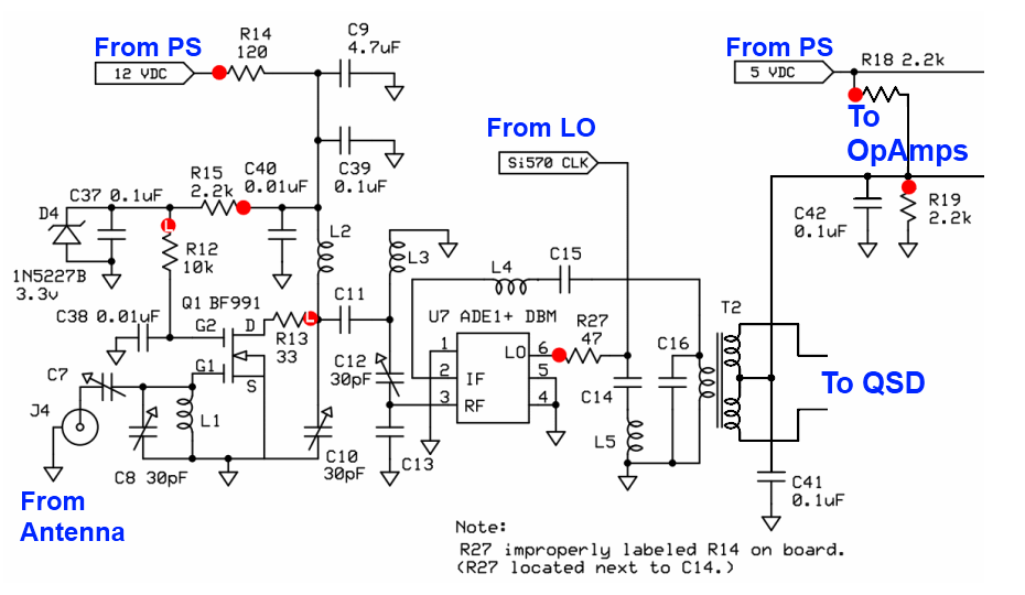
또다른 스위칭 믹서의 일종인 QSD (Quadrature Sampling Detector) 는 위에서 설명한 아나로그 스위치 IC 를 사용하는 믹서의 변형이다. QSD 는 4배의 LO를 사용하고(수신주파수의 4배) 90 도 위상차의 I/Q 신호를 생성한다. 따라서 145MHz 의 VHF 를 수신하려면 QSD 아나로그 스위치 믹서는 580MHz 로 스위칭 되어야 한다. 대부분의 범용 IC 스펙상 이것은 불가능이기 때문에 또 다른 믹서를 전단에 배치하여 145MHz 를 30MHz 정도로 낮추고 QSD 는 30MHz 를 수신하는 것으로 처리한다. 즉 2단계 주파수 변환을 거치게 된다.
아래는 전술한 방법을 사용하여 VHF 를 지원하는 QSD 수신기 앙상블의 프런트 엔드이다.
미니서킷의 ADE1 패시브 밸런스 믹서(다이오드 사용)로 1차 변환하여 QSD 믹서로 신호를 보낸다.

https://www.wb5rvz.com/sdr/ensemble_rx_ii_vhf/05_rf.htm
Ensemble II VHF RX Builders' Notes
RF Front End Introduction General This stage begins at the VHF antenna. The incoming VHF RF signal is preamplified and filtered and presented as the "RF" signal to the ADE + Double Balanced Mixer (DBM). That mixer also accepts the Local Oscillator's output
www.wb5rvz.com
요약하면 다음과 같다.
믹서는 주파수를 변환하는 기능을 제공하며 용도에 따라 다양한 방법(부품)으로 만들 수 있다.
이번 글의 내용은 여기까지이다.