이 글에서는 파워서플라이의 손실(발열)에 대해 글쓴이(DS1ORJ)의 견해 및 개선책을 기술한다.
아마추어 무선 분야에서는 대부분의 장비가 차량용의 12V(13.5~13.8V) 에 맞추어져 있고 RF 출력 100W 정도의 출력을 내기 위해서는 최소 200~300W(20A 이상)의 안정적인 전원 공급이 필요하다. 그러다 보니 거의 대부분의 햄들이 12V 30A 이상의 파워 서플라이를 사용한다. 일부는 스스로 만들어서 사용하거나 대체품(산업용 또는 통신장비용 등)을 사용하기도 한다.
글쓴이는 개인적으로 크고 무거운 선형 전원 공급기를 선호하지 않는다. 이유는 손실(발열)이 너무 많이 발생하기 때문이다. 손실은 저항(또는 전압강하)이 있는 모든 곳에서 발생한다. 아래 3가지 종류의 손실이 대표적이다.
- 트랜스포머의 권선 저항과 코어의 손실, 저항이 낮은 두꺼운 권선의 트랜스포머를 사용하면 감소한다.
- 정류기의 전압강하, 동기 정류기(synchronous rectification)를 적용하면 손실 최소화 가능.
- 레귤레이터(보통 파워 트랜지스터)의 전압강하.
1, 2 번째는 위에 제시한 방법을 동원하여 최대한 줄일 수 있다.(비록 극단적인 비용의 상승이 있더라도)
그러나 3번째 레귤레이터는 그 자체가 저항(실제로는 트랜지스터) 으로 작용하여 전압을 안정화 시키는 원리를 사용하는 것이 선형 정전압 파워서플라이 이므로 손실을 아주 없앨 수는 없다. 그러나 최소화 시킬 수는 있다. 이 글에서는 어떻게 최소화 시킬 수 있는지에 대해 기술한다.
아래는 설명을 위해 사용된 일반적인 손실을 보여주는 회로이다.(LTSpice 파일이 제공된다)

2N3055 를 비롯한 BJT 가 LTSpice 에 없는 경우 아래 링크를 참조하여 모델 라이브러리를 설치한다.
LTspice 부품, 회로도 모음 (Bordodynov Electronics 사이트)
회로 시뮬레이션 프로그램을 사용하려면 필요한 부품들이 있는 것이 중요합니다.부품이 있어야 원하는 회로를 만들고 시뮬레이션을 할 수가 있으니깐요. LTspice에는 Analog Devices사의 부품들만
ds3qej.tistory.com
상기 회로는 거의 모든 파워서플라이가 채용하는 회로이다.
약 13V, 20A 를 공급하는 설정이다. 시뮬레이션을 돌려보면 아래 손실을 볼 수 있다.
- D1, D2 각각 약 21W 총 합 42W 손실
- Q1, Q2, Q3 각각 약 18W 손실, 합 54W 손실
- 부하저항 R3 263W 공급
따라서 부하에 263W 를 공급하기 위해 총 359W 의 입력전력이 필요하고 부하전력 1/3 이 넘는 96W 의 손실이 발생한다.(약 30% 의 손실.. 이것은 난로인가 파워 서플라이인가?)
여기서 궁금증이 발생할 수 있다.
"정류기를 병렬로 연결하면 더 줄어드는거 아니냐?" 경험이 없는 경우 그렇게 생각 할 수 있다.
시뮬레이션을 해보면 베스트 케이스에서 개당 손실이 약 2W 정도가 줄어든다. 이것은 시뮬레이션이며 완벽하게 일치하는 다이오드이므로 병렬이 성립하지만, 실제 상황에서는 다이오드간 밸런스(순방향 전압 외)가 안 맞기 때문에 효과가 있을 수도 없을 수도 있다.이 현상은 Q1, Q2, Q3 도 같다. 5개로 늘려도 얻는 이득은 베스트 케이스에서 몇W 에 불과하며, 위와 똑같이 밸런스가 맞지 않으면 손실이 특정 트랜지스터에 가중된다. 즉, 실제 세계에서는 완전히 동일한 부품을 얻을 수 없다.(이것이 시뮬레이션과 실제 세계와 다른 점이다.)
따라서 병렬 배치는 큰 효과가 없다. 실제 상황에서는 병렬 배치하는 이유는 손실을 줄이기 위한 것보다 발열(부품당 허용 손실)을 분산시키기 위한 의도이다.
이러한 손실의 주 원인은 전원으로 18V 를 공급 받아서 13V 를 생성하기 때문이다. 이 경우 약 5V 의 전압을 어딘가에서 낮춰야 (Drop) 하기 때문에 공급전압의 72% 만 실제 출력에 사용된다.
최대 30V 를 공급가능한 선형 파워서플라이를 13V 용으로 사용하고자 한다면 17V 를 어딘가에 버려야 한다. 이 경우 절반 이상의 전력이 열손실로 사라지게 된다. 일반적인 실험용 전압 가변 파워 서플라이는 30V 정도를 공급하는데 손실을 줄이기 위해 2단계 이상의 입력 전압(15V, 30V 등)을 사용한다.
레귤레이터의 손실을 줄이기 위한 핵심은 입력전압과 출력전압의 차이를 최대한 작게 만드는 것이다. 13V 를 출력하기 위해 18V 를 공급 받는 것보다 15V 가 더 낫고, 14V 면 더 낫다. 이렇게 입출력 전압 차이가 낮은 정전압 작동을 Low DropOut (LDO) Regulator(레귤레이터) 라고 한다.
대충 눈치 챘겠지만 잘못된 설계 또는 용도에 맞지 않는 파워서플라이를 사용할 경우 손실은 극단적으로 높아진다.(정상 작동중에도 과도하게 뜨거워지는 파워 서플라이에 해당)
대부분의 파워 서플라이는 이미터 팔로워 회로를 사용한다. 이 회로는 공통 컬렉터라고도 한다.
작동 원리는 이 글에서 따로 설명하지 않을 것이므로 아래를 참고한다.
https://en.wikipedia.org/wiki/Common_collector
Common collector - Wikipedia
From Wikipedia, the free encyclopedia Type of transistor amplifier Figure 1: Basic NPN common collector circuit (neglecting biasing details). In electronics, a common collector amplifier (also known as an emitter follower) is one of three basic single-stag
en.wikipedia.org
파워 서플라이의 레귤레이터에 이미터 팔로워를 쓰면 부하가 이미터에 접속되므로 부하 전류에 Base 전류가 포함된다. 따라서 HFE 가 낮은 전력 트랜지스터를 구동할 때(2N3055 등) 드라이브 전류가 부하에서 소모되므로 낭비가 없다. 또한 베이스 전압이 곧 부하 전압이므로(전압 버퍼라고 한다) 회로가 간단해진다.
장점이 많아 보이지만 여기에는 심각한 단점이 있는데, 낮은 HFE 를 커버하기 위해 달링턴 접속을 하면 달링턴 단수 만큼 전압강하가 발생한다. 그리고 이 전압강하는 그대로 손실이 된다. (부하 또는 온도에 따라 단계당 약 0.6V~1V 가 추가 된다.) 예제 회로에서는 3단 직결 접속이고 따라서 2N3055 의 C-E 간 전압강하는 약 2.8V 가 발생하는 것을 확인 할 수 있다.
결과적으로 출력 전압보다 입력 전압이 최소 2.8V 이상 높아야 한다. (손실을 제외하고 13V 를 출력하려면 최소 16V 입력이 필요하다) 손실은 20A 를 공급 중이므로 20*2.8=56W 가 발생한다.
레귤레이터의 이미터 팔로워 손실을 줄일 수 있는 방법
출력단에 달링턴 접속을 사용하고 있다면 PNP-NPN 조합의 Sziklai Pair(시클라이 쌍) 사용을 고려해 볼 수 있다.
이 경우 달링턴에 비해 B-E 간 순방향 전압강하는 1/2 로 감소한다.
https://en.wikipedia.org/wiki/Sziklai_pair
Sziklai pair - Wikipedia
From Wikipedia, the free encyclopedia Figure 1. Sziklai pair that acts like a single NPN transistor with collector C, emitter E, and base B. In electronics, the Sziklai pair, also known as a complementary feedback pair, is a configuration of two bipolar tr
en.wikipedia.org
Sziklai 는 약간 불안정(발진) 하다는 평이 있지만 상업용으로 여전히 사용된다.
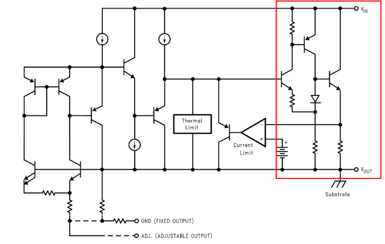
아래는 TI 의 LM1117 시리즈 LDO 레귤레이터의 출력단(ouput stage) 이다.(붉은색 사각형)
첫번째 단계가 PNP 이므로 전체 출력 스테이지는 PNP 처럼 작동한다.

Sziklai Pair 에 대해 더 자세히 알고 싶다면 아래 ESP 기사를 참고한다.
https://sound-au.com/articles/cmpd-vs-darl.htm
상기 Sziklai 쌍을 도입하더라도 얻을 수 있는 전압강하 이득은 고작 0.7~1V 내외일 것이다.
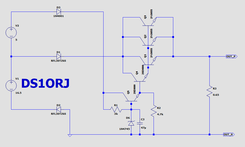
더 간단하고 효과적인 방법은 달링턴 접속을 그대로 사용하고, 입력전압 보다 좀 더 높은 드라이브 전압을 사용하는 방법이다.
아래와 같이 입력전압을 낮추고(18->16.5V), 드라이브 용으로 +5V 의 별도 전원을 직렬로 추가한다.
결과적으로 Q5 의 드라이브 전압은 21.5V 까지 상승하며 Q4 는 물론이고 Q1~Q3 까지 완전히 포화시킬 수 있게 된다. Q1,Q2,Q3 의 손실은 각각 8.6W 로 이 글의 첫번째 회로(18W)보다 손실이 절반이상 감소한 것을 볼 수 있다.
실제로 상기 회로는 D사의 30A 파워 서플라이에 채용된 회로이다.
이러한 개조는 이미 제작이 끝난 일반 선형 파워 서플라이에도 적용이 가능하다.(13.8v 등의 고정 전압용에 해당)
별도의 소형 변압기(5V 내외)를 추가해서 기존의 입력부와 직렬로 연결한 다음 드라이버의 TR 의 컬렉터로 공급하면 된다. (물론 기존의 컬렉터 배선은 끊어내야 한다) 예상 가능한 이점은 최대부하 상황에서 출력단의 컬렉터 손실 감소, 보다 향상된 리플제거 능력(정상적인 부하 상황에서) 등이다.
MOS FET 역시 BJT 의 이미터 팔로워와 동일한 소스 팔로워(Common drain)로 구동시킬 수 있다.
https://en.wikipedia.org/wiki/Common_drain
Common drain - Wikipedia
From Wikipedia, the free encyclopedia Electronic amplifier circuit type In electronics, a common-drain amplifier, also known as a source follower, is one of three basic single-stage field-effect transistor (FET) amplifier topologies, typically used as a vo
en.wikipedia.org
단, MOS FET 의 경우는 게이트 전압이 소스보다 상당히 높아한다.(최소 threshold voltage 만큼 필요하다, 통상 4~5V 사이) 상기 회로는 별도의 드라이브 전압이 공급되므로 N채널 MOS FET 로의 변경(소스 팔로워)도 손쉽게 된다.
아래는 IRFP250 으로 2N3055 를 대체한 회로이다.

상기 회로에서 주의할 점은, 소스가 부하로 연결되므로 부하에서 서지가 발생하여 소스 전압이 상승하고 이것이 Vgs 전압을 돌파하면 게이트가 파괴된다는 점이다. MOS FET 에 대한 경험이 부족한 경우 생각없는 설계로 종종 파손 시키는 것을 볼 수 있다. 가장 간단한 파손방지 방법은 G-S 사이에 TVS(또는 제너다이오드) 를 배치하는 방법이다.
사실 MOS FET 의 경우 정적인 부하에서는 드라이브 전류라는 개념이 없으므로 이미터 팔로워와 동일하게 소스 팔로워로 구성하는 이점이 별로 없다고 생각 될 수도 있다. (관점에 따라서 소스 팔로워 전압버퍼 보다 오히려 P채널을 사용하고 제어전압을 반전시키는게 유리하다고 생각할 수도 있다.)
어쨌건 상기 회로의 이점은 아래와 같다.
- 비교적 저렴하고 대량 생산되는 N채널 파워 MOS FET 사용가능
- RDS ON 저항이 BJT 에 비해 극단적으로 낮으므로 최대 부하에서 손실(발열)이 최소화됨
- 드라이브 전력이 거의 필요치 않으므로 출력단(MOS FET)을 직접 구동 가능
FET 사용은 대세이므로 알아두면 좋다.
단, FET 의 경우 작은 패키지의 경우에는 소산전력(PD)이 상당히 낮으므로 ID(최대 전류) 사양만 보고 선택하면 태워버리는 일이 발생한다. 반드시 SOA(Safe Operating Area) 내에서 작동시키고 불안하면 Threshold 전압이 비슷한 MOS FET 를 선별하여 병렬 연결 한다.
https://ds1orj.tistory.com/175
MOS FET 의 사용법 (1)
여기서는 MOS FET 의 실제 사용에 대해 아마추어적 관점에서 기술한다. 작동원리, 구조, 수식의 도출 등 교과서적 내용은 인터넷에 많이 있으므로 여기서는 다루지 않는다. 또한 이 글을 읽는 시점
ds1orj.tistory.com
최근의 파워 서플라이 동향은 아래와 같다.
- SMPS 방식 또는 SMPS + LINEAR 조합의 2 STAGE
- Synchronous Rectification(동기 정류, 특히 전류가 높은 경우 필수가 된다)
- 스위칭 소자로 MOS FET 사용 (GaN, SiC, 또는 여전히 BJT 가 채용되는 경우도 있다)
- 부품 성능의 향상 및 스위칭 주파수의 상승으로 소형 경량화 추세.
참고로 글쓴이(DS1ORJ) 는 스위칭 파워 서플라이를(일부는 개조하여) 사용하고 있다.
