이 글에서는 아마추어 무선 관점에서 TLT(전송선 변압기) 에 대해 알아본다.
우리가 발룬(Balun)을 만들 때 아무 전선이나 막 감아도 잘 작동하는 것 같지만 실제로는 그렇지 못하다.
낮은 주파수 제한은 코어 재질에 따른 투자율로 그 한계가 정해지고, 높은 주파수가 되면 코어의 특성(재질)과 함께 권선의 임피던스(권선간 용량을 포함한 여러 파라미터로 특성화됨)로 인해 한계가 발생하게 된다.
예컨대, 발룬에 사용된 권선의 길이(물리적 길이가 아닌 단축률을 포함한 전기적 길이)가 사용 주파수의 1/4 파장에 가까워질수록 발룬의 권선비(제곱하면 임피던스 비) 보다 권선 자체의 특성 임피던스에 의한 임피던스 변환 영향을 더 받게 된다. (전송선로 길이에 의한 임피던스 변환은 아래 글을 참고한다.)
https://ds1orj.tistory.com/134
전송선로의 이해(임피던스 변환)
이 글에서는 전송선로의 개념 중 혼동하기 쉬운 임피던스 변환 개념에 대해 설명합니다. 설명 편의상 존칭은 생략 합니다. 부하 임피던스와 급전선의 임피던스가 동일할 경우 케이블 길이는 아
ds1orj.tistory.com
따라서, 주파수에 따른 임피던스 변화(전송선 효과) 를 최소화 하려면 권선 자체를 최대한 짧게 사용해야 한다. 그러나 길이를 줄이기 위해 회전수를 낮추면 낮은 주파수에서의 임피던스 부족으로 사용가능한 전체 대역이 오히려 줄어들게 된다. 결론적으로 광대역 성능을 유지하려면 코어는 물론이고 권선의 임피던스도 고려하는 설계가 필요하게 된다.
이런 요구사항을 만족시키기 위해 TLT (Transmission Line Transformer:전송선 변압기) 라는 개념이 등장한다.
여러가지 형태의 TLT 가 존재하지만 가장 많이 쓰이는 응용은 발룬(Balun) 형태의 TLT 이다.
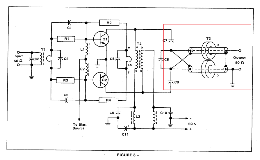
아래는 모토로라 AN-758 (1981년) 1KW Linear Amplifier 에 등장하는 TLT 이다.
https://www.rf-microwave.com/app/resources/uploads/transistors/Motorola_AN758.pdf

상기 그림3 에서 T3 (붉은 사각형)은 전형적인 TLT 이다.
아래 실제 형상에서 보다시피 모습은 동축 케이블이 감긴 초크 바룬 형태이다.

그냥 봐서는 어떻게 작동하는 것인지 이해가 되지 않는다.
글로 설명하자면,
1. 두개의 초크바룬이 있다.
2. 초크바룬의 입력은 병렬 연결되어 있고 출력은 직렬 연결이다.
3. 출력측이 직렬 연결이므로 입력의 2배 전압이 발생한다.
4. 전압비(권선비)가 1:2 이므로 임피던스비는 1:4 가 된다.
5. 직렬 연결된 출력측이 50옴 이므로 권선의 특성 임피던스는 25옴(직렬시 50)이 필요하다.
따라서 25옴이 병렬 연결된 입력측의 임피던스는 12.5옴이 된다.
발룬의 작동에 대한 이해가 없다면 3번이 어떻게 그렇게 되는 것인지 이해가 되지 않을 것이다.
발룬은 "불평형을 평형" 으로 변환한다. 이 의미는 "입력과 출력이 절연되어 있다" 는 것이다.
같이 연결되어 있는거 같지만 실제로는 입력과 출력이 완전히 분리(절연)되어 있으므로
출력 또는 입력이 병렬 연결되거나 직렬 연결 되더라도 서로 영향을 주지 않는다.
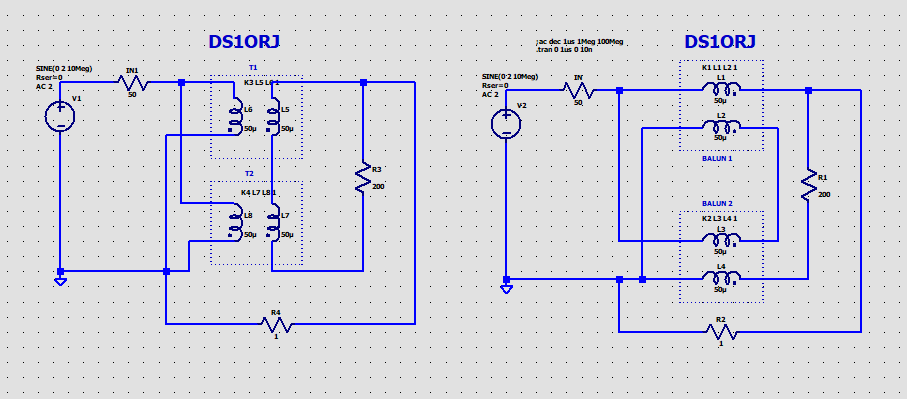
아래 LTSpice 회로를 보면 이해에 도움이 될 것이다.

좌측은 일종의 "절연 변압기" 형태의 승압 회로이다. 1차는 병렬이고 2차는 직렬이므로 출력전압은 입력의 2배가 된다.
권선비가 1:2 가 되므로 임피던스비는 그 제곱인 1:4 가 된다. (따라서 50옴 -> 200옴 변환)
이것은 일반 전기-전자 전공자라면 쉽게 이해가 되는 회로일 것이다.
우측은 전류-발룬 형태의 TLT 이다. 좌측과 달라보이지만 정확히 같은 작동을 한다. 발룬은 RF 영역에서 마치 "절연변압기" 처럼 행동한다. (이상해보이지만) 입력은 병렬이고, 출력은 직렬이므로 결과는 좌측과 같다.
위의 설명이 믿기지 않는다면 아래 시뮬레이션 결과를 확인한다.
좌우측 모두 절연 변압기로 작동하므로 아래와 같이 거의 쇼트 상태와 비슷한 1옴 저항으로 "접지" 시켜도 작동 결과에 변화가 없다. (좌,우측 모두 1옴 저항으로 전류가 거의 흐르지 않음)

믿기지 않는 사람을 위해 LTSpice 시뮬레이션 파일을 첨부한다.
RF 에 관심이 있는 사람들은 보면 알겠지만 우측은 소위 말하는 "구아넬라 1:4 발룬" 과 동일한 것이다.
이 회로에서는 입력이 50옴이고 출력이 200옴인 TLT 일 것이므로 광대역으로 잘 작동하려면 권선에 사용되는 특성 임피던스는 100옴에 가까워야 한다.
아래는 54MHz 까지 사용가능한 상업용 구아넬라 1:4 발룬인데 테플론 튜브를 이용한 바이파일러 권선으로 임피던스를 최대한 100옴 근처로 형성 했을 것으로 추정한다. https://www.balundesigns.com/model-4115-dual-core-4-1-current-balun-5kw-1-54-mhz/
Model 4115 - Dual Core 4:1 Current Balun 5kW 1 - 54 MHz
Balun Designs LLC - When Performance Counts & Quality Matters
www.balundesigns.com

참고로 전류발룬(초크바룬)의 작동에 대해 이해가 가지 않는 사람이라면 이전에 올린 게시물을 참고한다.
https://ds1orj.tistory.com/173
1:1 전류 바룬의 작동 이해
아마추어무선을 하다 보면 이해하기 쉬운 것도 있고 이해하기 어려운 것도 있다. 이해하기 어렵기 때문에 잘못 알려진 것들이 꽤 많은데, 그 중 하나는 "바룬의 작동" 이다. 여기서는 1:1 전류 바
ds1orj.tistory.com
RF 영역은 이해하는 만큼만 보이게 되므로 상당히 골치아픈 분야이다.