무선국을 운용해 보면 VHF 밴드 전용리그(또는 포터블 리그)에 송수신 전환 릴레이가 없다는 사실을 알고 있을 것이다.
즉 송수신 전환시에 릴레이 작동음이 전혀 들리지 않는다. 실제로 뜯어서 어디를 살펴봐도 릴레이는 없다.
여기서는 이러한 전자식 송수신 전환(T/R Switch 라고도 한다)에 대해 아마추어의 관점에서 기술한다.
전자식 T/R 전환을 사용하는 특징은 다음과 같다.
1. 매우 빠른 송/수신 전환 가능. (특히 CW 의 운용시 아주 큰 이점이 있다)
2. 기계적 구성품을 사용하지 않으므로 기계적 측면의 내구성(신뢰도)이 향상함
3. 출력 전력이 낮은 경우 릴레이보다 낮은 소모전력 및 부피 감소
4. 단점으로는 신호 계통에 다이오드가 추가 되므로 신호가 특정 조건에서 비선형적으로 변형될 가능성이 존재한다.
릴레이를 사용하지 않고 송/수신 전환을 구현하는 방법에는 몇가지가 있다.
1. 1/4 파 전송선로의 특성(다이오드 shunt 스위치)을 이용하는 스위칭 하는 방법
- 1/4 파 전송선로의 경우 끝단이 Short 되면 반대쪽은 Open(무한대)으로 보이는 성질이 있다. 반대로 끝단이 Open 되면 반대쪽은 Short 된 것처럼 보인다.
- 따라서 1/4 파 전송선로의 끝단에 그라운드로 다이오드를 배치하고 On/Off 시키면 1/4 파 전송선로를 스위치처럼 사용할 수 있게 된다.(아래 설명한다)
- 신호가 직접적으로 다이오드를 통과하지 않으므로(최소한의 신호만 걸린다) 다이오드의 비선형 동작을 최소화한다.
2. 다이오드를 이용하여 신호 경로를 직접 전환(다이오드 직렬 스위치) 하는 방법
- RF 신호가 흐르는 다이오드에 순방향 전류를 흘려보내면 저항이 줄어들어 거의 Short 상태가 된다는 사실을 이용한다.
- 이 방법에 사용되는 다이오드는 전력규격이 높아야 하므로 소출력에서 주로 선호되나 대출력에도 종종 사용한다.
- 신호 자체가 다이오드를 통과하므로 다이오드에 의해 비선형화 될 수 있다.
3. 1/4 파 전송선로(션트 다이오드) 와 직렬 다이오드 스위치의 조합
- 전술한 1,2 회로를 조합하여 단순화 시킨 것이다.
- 주로 송신측은 다이오드로 직접 스위칭하고 수신 측은 1/4 전송선로를 이용한다.
아래는 1/4 파 전송선로와 병렬 다이오드를 조합하여 T/R 전환을 하는 예시이다.
여러 서적에 1/4 Wave 전송선로를 이용한 T/R 전환 회로가 나와 있는데 여기서는 ARRL 에서 발간한 Experimental methods in RF Design 서적에 나와 있는 회로를 예로써 설명한다. (Chapter 6. Fig 6.129 T/R Switch with shunt diodes )

※ 수신시 작동 상태.
"V+ on Transmit" 에 전압이 없으므로 D1, D2 모두 개방(Open) 상태이다.
Z1 섹션 (1) 번 위치는 D1 에 의해 끝단이 개방된 1/4 Wave 전송선로이므로 그라운드로 Short 된 것처럼 보인다.
(1)번 위치가 쇼트 상태이므로 송신기의 출력 임피던스 50옴은 그라운드로 쇼트되어 0 으로 된다.
Z2 (1/4 섹션)는 (1) 번이 그라운드로 쇼트된 상태 이므로 반대쪽 (2) 번은 개방된 상태로 보인다.
따라서 안테나 측에서 보면 송신측 (1) 번을 바라볼 때 개방(무한대 임피던스)이므로 신호가 가지 못한다.
Z3 는 수신기로 연결되어 있고 임피던스는 수신기의 임피던스인 50옴 일 것이므로 신호가 잘 전달된다.
※ 송신시 작동 상태
"+V on Transmit" 에 전압이 가해지면 D1, D2 는 모두 그라운드로 연결(Short) 된다.
Z1 섹션 (1) 번 위치는 D1에 의해 끝단이 쇼트된 1/4 Wave 전송선로로써 개방된(무한 임피던스) 상태가 된다.
개방 상태이므로 송신기의 출력 임피던스 50옴이 현재 (1)번 위치의 임피던스 값이 된다.
Z2 는 (1) 번 위치가 50옴이므로 정상적인 전송선로로 작동하고 안테나와 연결된다.
Z3 는 D2 에 의해 끝이(수신기 측) 쇼트된 상태이므로 반대쪽인 (2)번 위치는 무한임피던스를 나타낸다.
따라서 안테나로 방사되는 송신 전력은 수신측으로 오지 못한다.
다소 이해하기 어려운 동작일지 모르지만 1/4 파 길이의 전송선로 작동 원리를 이해하고 있다면 너무나 자연스러운 현상이다. 앞서 윌킨슨 컴바이너에 대한 글을 읽었다면 1/4 파 전송선로는 집중정수(그림 하단의 LC 를 이용한 PI 네트워크) 로 구현할 수 있다는 것을 이미 알고 있을 것이며 당연히 PI 네트워크로 구현하더라도 해당 주파수에서의 작동은 같다.
※ 이 방식은 VHF 밴드 이상의 트랜시버 회로에서 송수신 전환에 일반적으로 사용된다. UHF 밴드 이상으로 올라가면 기계적 스위치로는 특수한 구조(동축 구조 스위치, 고가의 동축 구조 릴레이 등)가 아니면 손실이 매우 크므로 거의 대부분의 경우에 필수가 된다.
집중정수를 이용한 1/4 파 변환에 대해서는 아래의 컴바이너 글을 참고한다.
https://ds1orj.tistory.com/161
안테나 또는 증폭기를 병렬 연결하는 컴바이너
안테나나 증폭기를 단순 병렬 연결 하면 (입출력 임피던스가 정해진 RF 회로의 특성상)임피던스가 변경되어 사용할 수 없다는 것은 모두가 알고 있는 사실이다. 여기서는 실제 아마추어 무선 관
ds1orj.tistory.com
아래부터는 2 번 방식으로 다이오드를 직렬 스위치로 직접 사용, 송수신 전환을 구현한 예시이다.
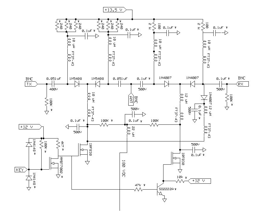
이 회로는 WA5BDU 의 작품이다. http://wa5bdu.blogspot.com/2017/03/pin-diode-tr-switch.html
PIN diode T/R switch
100 W T/R switch in box I like to play with separate transmitters and receivers, either those I'm building or a few classic boat ancho...
wa5bdu.blogspot.com
특이한 것은 저렴한 일반 다이오드(1N5408, 1N4007)를 사용한다. (작동한다.)
일반 다이오드를 사용하여 HF 스위칭을 하는 또 다른 사례는 일부 리니어 회로에서 입력 전력 감쇠기용 전자 스위치에 사용된 사례가 있으며 실제로 작동하는데 큰 문제는 없다. 상용 리그에서도 회로 내에서의 신호 전환 등에 동일하게 일반 다이오드를 종종 사용한다.
이러한 일반 다이오드에 대한 또 다른 실험 예는 아래를 참고한다.
https://eepower.com/technical-articles/power-control-at-27-mhz-with-variable-reactance/#
Power Control at 27 MHz with Variable Reactance - Technical Articles
This is the second of a three part series. In Part 1, we described a quasi-class E circuit providing variable power into inductive and resistive loads
eepower.com
참고로 이 회로는 상당히 높은 역바이어스 전압(도면상 180V)을 사용하고 있다.
첫 번째 이유는 일반 정류 다이오드(1N5408, 1N4007)의 접합 용량이 높으므로 확실히 OFF 시키려면 높은 전압을 가해서 용량을 최소화시켜야 한다는 것이다. 두번째 이유는 전송 선로 계통 자체를 직접 스위칭하고 있으므로 다이오드로 대전력을 직접 통과시키거나 저지해야 한다. 충분한 역 바이어스 전압을 사용하면 안테나로 유입된 강한 신호(다이오드의 순방향 전압을 초과하여 도통시킬 수 있음) 및 송신 시의 출력 신호에 의한 교란으로부터 좀 더 여유를 가질 수 있다.
아래는 회로도이다.

여기까지 정리.
1. 다이오드는 RF 스위치로써 광범위하게 사용된다. (원칙상 PIN 다이오드를 사용해야 하지만 아마추어적 목적으로는 일반 다이오드도 작동은 하므로 이용 가능하다.)
2. 1/4 파 전송선로는 임피던스 변환뿐만 아니라 송수신 전환 회로에도 이용된다.